KVM-DC Serisi
Kem-P Vibrasyon MotorlarıKem-P KVM-DC Endüstriyel Vibrasyon Motorları; akü veya jeneratör gibi güç kaynağından aldığı enerjiyi DC konvertör aracılığıyla 3 faz 24/12 Volt’a dönüştürerek kömür ve fırça olmadan çalışan yeni nesil vibrasyon motorudur. Kem-P KVM-DC Serisi Endüstriyel Vibrasyon Motorları 2 Kutuplu 3000 rpm ve 4 Kutuplu 1500 rpm, 12 V ila 24 V çalışma seçeneği ve 97 kgf ile 221 kgf arası santrifüj kuvveti sağlar. Kem-P KVM-DC Serisi Vibrasyon Motorları yanıcı ve patlayıcı tozların bulunduğu tehlikeli ortamda uygulamalar için ATEX II 2D Ext b IIIC T 120C Db ve IP66 sertifikalarına sahiptir.
24V / DC
| Model | Gövde | II 2D Sınıfı |
Devir | Santrifüj Kuvveti ( Kg/F ) |
Santrifüj Kuvveti ( KN ) |
(*)Statik Moment | Ağırlık ( Kg ) |
Giriş Gücü ( W ) |
Nominal Akım ( A ) |
Giriş Gücü ( W ) |
Nominal Akım ( A ) |
| KVM-30-DC-241 | 01 | 120° | 3000 | 138 | 1,226 | 12,4 | 4,7 | 180 | 2,80 | 650 | 10,0 |
| KVM-30-DC-242 | 01 | 120° | 3000 | 221 | 1,834 | 18,6 | 5 | 180 | 3,00 | 650 | 10,0 |
| KVM-15-DC-241 | 01 | 120° | 1500 | 97 | 0,765 | 31,0 | 5,5 | 170 | 2,50 | 650 | 10,0 |
12V / DC
| Model | Gövde | II 2D Sınıfı |
Devir | Santrifüj Kuvveti ( Kg/F ) |
Santrifüj Kuvveti ( KN ) |
(*)Statik Moment | Ağırlık ( Kg ) |
Giriş Gücü ( W ) |
Nominal Akım ( A ) |
Giriş Gücü ( W ) |
Nominal Akım ( A ) |
| KVM-30-DC-121 | 01 | 120° | 3000 | 138 | 1,226 | 12,4 | 4,7 | 180 | 7,20 | 650 | 10,0 |
| KVM-30-DC-122 | 01 | 120° | 3000 | 221 | 1,834 | 18,6 | 5 | 180 | 7,35 | 650 | 10,0 |
| KVM-15-DC-121 | 01 | 120° | 1500 | 97 | 0,765 | 31,0 | 5,5 | 170 | 7,10 | 650 | 10,0 |
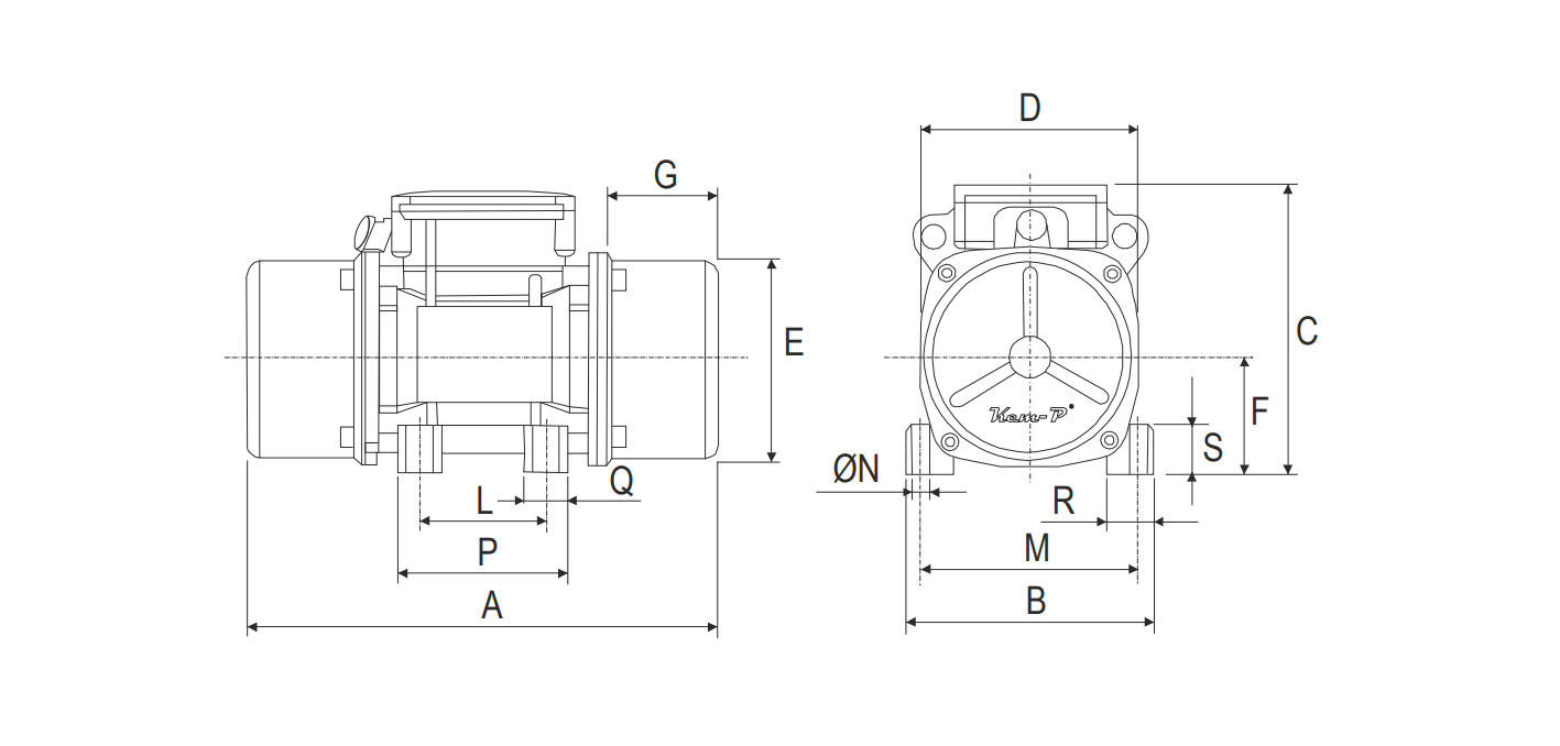
| Model | Gövde | Rif | A | B | C | D | ØE | F | G | L | M | ØN | P | Q | R | S |
| KVM-30-DC-241 | 01 | -- | 241 | 125 | 145 | 109 | 100 | 58 | 60,5 | 70÷74 | 106 | 8,75 | 90 | 23 | 23 | 23 |
| KVM-30-DC-242 | 01 | -- | 241 | 125 | 145 | 109 | 100 | 58 | 60,5 | 70÷74 | 106 | 8,75 | 90 | 23 | 23 | 23 |
| KVM-15-DC-241 | 01 | -- | 241 | 125 | 145 | 109 | 100 | 58 | 60,5 | 70÷74 | 106 | 8,75 | 90 | 23 | 23 | 23 |
| KVM-30-DC-121 | 01 | -- | 241 | 125 | 145 | 109 | 100 | 58 | 60,5 | 70÷74 | 106 | 8,75 | 90 | 23 | 23 | 23 |
| KVM-30-DC-122 | 01 | -- | 241 | 125 | 145 | 109 | 100 | 58 | 60,5 | 70÷74 | 106 | 8,75 | 90 | 23 | 23 | 23 |
| KVM-15-DC-121 | 01 | -- | 241 | 125 | 145 | 109 | 100 | 58 | 60,5 | 70÷74 | 106 | 8,75 | 90 | 23 | 23 | 23 |