Follow Us

AVM-CR Three Phase Vibration Motors

Avibro Vibrasyon Motorları

AVIBRO foot mounted vibration motors offer a full range of premium quality foot mounted vibrator motors that meet the needs of all industrial machinery where vibration power is required.

We hereby declare that All AVM-P Series goods are manufacturing in compliance with regulations envisioned by EEC( Machine directive 2006/42/EC Directive 2006/42/EC of the European Parliament and of the Council of 17 May 2006 on machinery, and amending Directive 95/16/EC (recast) AND 2014/35/EU Directive 2014/35/EU of the European Parliament and of the Council of 26 February 2014 on the harmonisation of the laws of the Member States relating to the making available on the market of electrical equipment designed for use within certain voltage limits (recast). *Decleration will loose its validity if there will be any change by product.

AVM AFV / AFV-EC / AFV-C AVM-D AVM-P Series vibration motors can be operated by variable Frequency inverters (VFD featured).


For all AVM-CR Series :

II2D Ex tb IIIC (T120 °C) Zone 21 Zone 22

Three Phase Vibration Motors Technical Specifications:

Three-Phase Input Voltage:
For all AVM-CR Series : Standart applications: 50Hz 220 – 230/380-400 Volt or 60Hz 220-240/440-480 Volt
We are offering you different voltage and frequency on demand
AVM/CR Series vibration motors can be operated by variable Frequency inverters (VFD featured).

Frequency and Rotation per Minute (rpm)

For all AVM-CR Series :
2 poles: 3000 rpm- 50 Hz 3600 rpm – 60 Hz
4 poles : 1500 rpm – 50 Hz 1800 rpm – 60 Hz
6 poles : 1000 rpm – 50 Hz 1200 rpm – 60 Hz
8 poles : 750 rpm – 50 Hz 3600 rpm – 60 Hz

Three Phase Vibration Motors Adjusting Vibration Force

AVIBRO Vibration motors are designed for gaining most vibration according to working regime S1. Thanks to degress on both end Masses from %0 to %100 you can adjust requied vibration force. Eccentric masses on both side ends of shaft must be at same degrees.

AVIBRO Mechanical Protection

We hereby declare that All AVM-CR Series goods are manufacturing in compliance with regulations envisioned by EEC( Machine directive 2006/42/EC Directive 2006/42/EC of the European Parliament and of the Council of 17 May 2006 on machinery, and amending Directive 95/16/EC (recast) and 2014/35/EU Directive 2014/35/EU of the European Parliament and of the Council of 26 February 2014 on the harmonisation of the laws of the Member States relating to the making available on the market of electrical equipment designed for use within certain voltage limits (recast). *Decleration will loose its validity if there will be any change by product.

AVIBRO Inside of Electric Motor

We are highly aware of enviromental pollution in our Planet. We are highly aware of enviromental pollution in our Planet. For this reason, AVIBRO offers you more power compared to its competitors with the STATOR-ROTOR design created with the lowest loss silicon magnetic lamination sheets, while offering products with increased efficiency by reducing heating.

AVIBRO Vibration Motors Isolation Class

AVM/CR series vibration motors have powerful standard H class insulation. On demand, you can choose a stronger insulation class. Eccentric weight covers, bearing covers and terminal covers are mechanically protected against external damage with o-ring seals. Inside the terminal box, it is protected by Epoxy resin against breakage against leakage and vibration. IP 67

AVIBRO Vibration Motors Enviromental Working Temperature

For all AVM-CR Series : -20 C° ile +40 C° ( -4 F ile 104 C° )

AVIBRO Vibration Motors Thermal Protection

For AVM-CR series products, we do not have a standard thermistor application. We offer 130 C PTC Application on AVM-P series products on demand.

AVIBRO Vibration Motors Body and Rotating Shaft

For AVM/CR series, all other series and new products, stress analyzes are made on the product bodies and bearing covers on the 3D CAD program. Afterwards, we manufacture our 50 frame size body and bearing covers, our special alloy aluminum injection molding 60 and 110 structure size body and bearing covers from high resistant GGG 40 ductile cast iron.
Our rotating shafts (rotor shaft) use NiCrMo special steel round raw material with high resistance to torsion and rupture with heat treatment.

AVIBRO Vibration Motors Painting

We use electrostatic epoxy powder paint in almost all of our AVM/CR Series products.
Body color code: ORANGE
Covers: Stainless

AVIBRO Vibration Motors Bearing and Lubrication

AVIBRO vibrator motors use bearings with C4 backlash produced for long-lasting vibration in all standard products. Thus, we produce long-lasting vibration motors for our customers. For our vibration motor bearings, we use long-lasting, high-strength greases against high centrifugal forces, stress caused by vibration, and abrasions that may occur from loads on bearing internal grains. We use labyrinth type channels and oil seals to ensure that the grease runs in the bearings without any leakage.

AVIBRO Vibration Motors On Demand Manufacturing We Offer

Pre-heaters
Stainless side covers Cr
Different foot-prints for your special applications

design productions

AVM-CR 2 poles 3000 rpm-50Hz / 3600 rpm-60Hz

Model / Type Gövde / Size Santrifüj Kuvveti /
Centrifugal Force
(Kg/F) 50Hz
Santrifüj Kuvveti /
Centrifugal Force
(Kg/F) 60Hz
Santrifüj Kuvveti /
Centrifugal Force
(Kg/F) 50Hz
Santrifüj Kuvveti /
Centrifugal Force
(Kg/F) 60Hz
(*) Statik Moment / Statical Moment (Kgmm) 50Hz (*) Statik Moment / Statical Moment (Kgmm) 60Hz Ağırlık / Weight
(Kg) 50Hz
Ağırlık / Weight
(Kg) 60Hz
Giriş Gücü / Input Power (W) 50Hz Giriş Gücü / Input Power (W) 60Hz Nominal Akım / Nom. Current
(A) 400V 50Hz
Nominal Akım / Nom. Current
(A) 460V 60Hz
Nominal Akım / Nom. Current
(A) 220V 50Hz
Nominal Akım / Nom. Current
(A) 115V 60Hz
IA / IN
50Hz 220V 50Hz
IA / IN
60Hz 115V 60Hz
AVM-CR 65/3 10 61 69 0,59 0,67 6,1 4,7 4,9 4,7 150 165 0,30 0,30 0,51 0,52 2,72 3,00
AVM-CR 130/3 10 153 143 1,50 1,40 15,2 9,8 5,4 5,1 180 180 0,35 0,32 0,59 0,54 2,64 2,96
AVM-CR 200/3 10 214 226 2,09 2,21 21,3 15,6 5,7 5,4 180 180 0,35 0,32 0,59 0,54 2,64 2,96
AVM-CR 300/3 20 323 281 3,16 2,75 32,1 19,4 8,5 8,2 280 290 0,60 0,50 1,02 0,85 3,50 4,15
AVM-CR 400/3 20 421 456 4,13 4,47 41,8 31,4 8,9 8,5 370 400 0,75 0,70 1,27 1,19 4,10 4,35
AVM-CR 500/3 30A 565 552 5,54 5,41 56,2 38,1 14,6 14,0 470 520 0,80 0,75 1,36 1,27 4,15 4,60
AVM-CR 650/3 30A 674 681 6,61 6,68 66,9 47,0 14,9 14,4 550 600 0,90 0,85 1,53 1,44 4,25 4,70
AVM-CR 760/3 30A 751 798 7,36 7,82 74,6 55,1 15,4 14,7 550 650 0,90 0,90 1,53 1,55 4,30 4,90
AVM-CR 800/3 40A 797 866 7,81 8,49 79,2 59,8 22,8 22,2 650 680 1,10 1,00 1,87 1,73 3,80 5,80
AVM-CR 850/3 40A 891 913 8,74 8,95 88,6 63,0 23,2 22,2 660 700 1,20 1,10 2,04 1,87 3,90 6,00
AVM-CR 950/3 40A 996 1056 9,77 10,35 99,0 72,9 23,5 22,6 720 800 1,50 1,50 2,55 2,59 3,70 4,10
AVM-CR 1100/3 40A 1195 1127 11,72 11,05 118,8 77,8 23,8 22,9 1000 1100 1,75 1,70 2,97 2,94 3,65 4,00
AVM-CR 1300/3 40A 1394 1397 13,67 13,70 138,6 96,4 25,5 24,1 1300 1200 2,20 2,00 3,74 3,46 4,00 5,06
AVM-CR 1600/3 50A 1655 1702 16,23 16,69 164,5 117,4 33,6 32,3 1500 1500 2,40 2,10 4,08 3,57 4,68 4,96
AVM-CR 1800/3 50A 1847 1895 18,11 18,59 183,5 130,8 34,9 32,9 2000 2000 3,20 3,00 5,44 5,19 4,46 5,45
AVM-CR 2000/3 50A 2045 2155 20,06 21,14 203,2 148,7 35,5 34,2 2200 2300 3,40 2,90 5,78 4,93 4,34 5,80
AVM-CR 2300/3 50A 2316 2392 22,72 23,46 230,2 165,1 36,3 34,4 2200 2300 3,40 2,90 5,78 4,93 4,34 5,80

 

AVM-CR 2 poles 3000 rpm-50Hz / 3600 rpm-60Hz

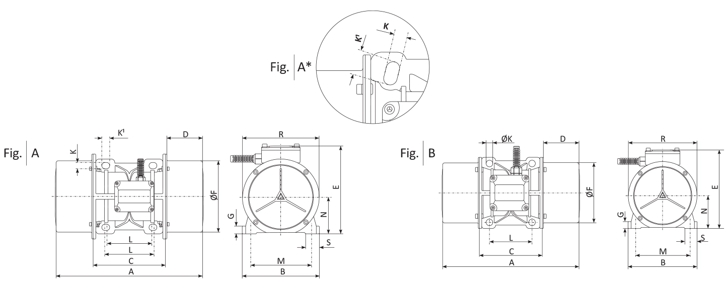
Model / Type Gövde / Size Fig A B C D E ØF R L M ØK ØK G S N
AVM-CR 65/3 10 A 235 123,5 108 63,5 151,5 107 132,5 62÷74 106 8,75 4 14,5 17 22 59,5
AVM-CR 130/3 10 A 235 123,5 108 63,5 151,5 107 132,5 62÷74 106 8,75 4 14,5 17 22 59,5
AVM-CR 200/3 10 A 235 123,5 108 63,5 151,5 107 132,5 62÷74 106 8,75 4 14,5 17 22 59,5
AVM-CR 300/3 20 B 289 150,5 134 77,5 175 128 150 90 125 13,5 4 - 20 27 74,5
AVM-CR 400/3 20 B 289 150,5 134 77,5 175 128 150 90 125 13,5 4 - 20 27 74,5
AVM-CR 500/3 30A A* 286 190 153 66,5 203,5 155 185 100÷105 140÷160 12 4 22,5 22 38 93,5
AVM-CR 650/3 30A A* 286 190 153 66,5 203,5 155 185 100÷105 140÷160 12 4 22,5 22 38 93,5
AVM-CR 760/3 30A A* 286 190 153 66,5 203,5 155 185 100÷105 140÷160 12 4 22,5 22 38 93,5
AVM-CR 800/3 40A B 363 210 188 87,5 228,5 183 220 120 170 17 4 - 26 37 107,5
AVM-CR 850/3 40A B 363 210 188 87,5 228,5 183 220 120 170 17 4 - 26 37 107,5
AVM-CR 950/3 40A B 363 210 188 87,5 228,5 183 220 120 170 17 4 - 26 37 107,5
AVM-CR 1100/3 40A B 363 210 188 87,5 228,5 183 220 120 170 17 4 - 26 37 107,5
AVM-CR 1300/3 40A B 363 210 188 87,5 228,5 183 220 120 170 17 4 - 26 37 107,5
AVM-CR 1600/3 50A A 466 230 226 120 248 220 260 140÷150 190 18,5 4 23,5 27 50,5 120,5
AVM-CR 1800/3 50A A 466 230 226 120 248 220 260 140÷150 190 18,5 4 23,5 27 50,5 120,5
AVM-CR 2000/3 50A A 466 230 226 120 248 220 260 140÷150 190 18,5 4 23,5 27 50,5 120,5
AVM-CR 2300/3 50A A 466 230 226 120 248 220 26 140÷150 190 18,5 4 23,5 27 50,5 120,5

 

AVM-CR 4 poles 1500 rpm-50Hz / 1800 rpm-60Hz

Model / Type Gövde / Size Santrifüj Kuvveti /
Centrifugal Force
(Kg/F) 50Hz
Santrifüj Kuvveti /
Centrifugal Force
(Kg/F) 60Hz
Santrifüj Kuvveti /
Centrifugal Force
(Kg/F) 50Hz
Santrifüj Kuvveti /
Centrifugal Force
(Kg/F) 60Hz
(*) Statik Moment / Statical Moment (Kgmm) 50Hz (*) Statik Moment / Statical Moment (Kgmm) 60Hz Ağırlık / Weight
(Kg) 50Hz
Ağırlık / Weight
(Kg) 60Hz
Giriş Gücü / Input Power (W) 50Hz Giriş Gücü / Input Power (W) 60Hz Nominal Akım / Nom. Current
(A) 400V 50Hz
Nominal Akım / Nom. Current
(A) 460V 60Hz
Nominal Akım / Nom. Current
(A) 220V 50Hz
Nominal Akım / Nom. Current
(A) 115V 60Hz
IA / IN
50Hz 220V 50Hz
IA / IN
60Hz 115V 60Hz
AVM-CR 20/15 10 23 27 0,26 0,27 9,1 7,4 5,0 4,8 90 85 0,22 0,20 0,34 0,34 1,85 2,00
AVM-CR 30/15 10 30 39 0,29 0,38 11,9 10,7 5,2 5,0 90 85 0,22 0,20 0,34 0,34 1,85 2,00
AVM-CR 60/15 10 54 58 0,53 0,56 21,3 16,0 5,7 5,4 90 85 0,22 0,20 0,34 0,34 1,85 2,00
AVM-CR 90/15 10 84 93 0,82 0,91 33,4 25,7 6,5 6,1 95 105 0,24 0,26 0,40 0,44 1,95 2,10
AVM-CR 200/15 20 210 207 2,06 2,03 83,5 57,1 10,5 9,5 180 190 0,42 0,38 0,71 0,64 2,42 2,90
AVM-CR 250/15 20 242 248 2,37 2,43 96,2 68,4 11,0 10,3 250 270 0,54 0,42 0,91 0,71 3,28 3,50
AVM-CR 300/15 30B 303 341 2,97 3,34 120,4 94,1 17,0 15,8 280 300 0,62 0,60 1,05 1,02 3,18 3,50
AVM-CR 400/15 30B 421 439 4,13 4,30 167,4 121,2 18,2 16,6 300 350 0,64 0,66 1,08 1,12 3,36 3,68
AVM-CR 520/15 30B 546 609 5,35 5,97 217,1 168,1 20,2 18,8 350 400 0,70 0,74 1,19 1,26 3,44 3,86
AVM-CR 750/15 40B 743 700 7,29 6,86 295,4 193,2 28,0 26 500 525 0,96 0,92 1,63 1,57 3,54 4,52
AVM-CR 900/15 40B 892 867 8,75 8,50 354,6 239,4 30,4 27,2 550 650 1,00 0,98 1,73 1,69 3,64 3,43
AVM-CR 1100/15 40B 1127 1067 11,05 10,46 448,1 294,6 34,0 28,2 600 650 1,10 0,98 1,87 1,69 3,28 3,43
AVM-CR 1300/15 40B 1314 1291 12,89 12,66 522,4 356,4 35,0 33,0 720 800 1,28 1,32 2,18 2,24 3,90 4,14
AVM-CR 1500/15 50A 1523 1655 14,94 16,23 605,5 456,9 42,0 40,0 900 1050 1,45 1,50 2,47 2,55 4,10 4,20
AVM-CR 1800/15 50A 1833 1916 17,98 18,79 728,7 529,1 47,0 43,0 1100 1200 2,00 1,90 3,46 3,30 4,32 4,94
AVM-CR 2000/15 50B 2137 2166 20,96 21,24 849,6 598,1 49,7 45,5 1300 1350 2,45 2,30 4,24 4,00 4,30 4,90
AVM-CR 2300/15 50B 2442 2474 23,95 24,27 970,9 683,1 54,0 49,5 1500 1500 2,90 2,80 5,00 4,84 5,95 7,00

 

AVM-CR 4 poles 1500 rpm-50Hz / 1800 rpm-60Hz

Model / Type Gövde / Size Fig A B C D E ØF R L M ØK ØK G S N
AVM-CR 20/15 10 A 235 235 108 63,5 151,5 107 132,5 62÷74 106 8,75 4 14,5 17 22 22
AVM-CR 30/15 10 A 235 235 108 63,5 151,5 107 132,5 62÷74 106 8,75 4 14,5 17 22 22
AVM-CR 60/15 10 A 235 235 108 63,5 151,5 107 132,5 62÷74 106 8,75 4 14,5 17 22 22
AVM-CR 90/15 10 A 235 235 108 63,5 151,5 107 132,5 62÷ 74 106 8,75 4 14,5 17 22 22
AVM-CR 200/15 20 B 289 289 134 77,5 175 128 150 90 125 13,5 4 - 20 27 27
AVM-CR 250/15 20 B 289 289 134 77,5 175 128 150 90 125 13,5 4 - 20 27 27
AVM-CR 300/15 30B A* 322 322 153 84,5 203,5 155 185 100÷105 140÷160 12 4 22,5 22 38 38
AVM-CR 400/15 30B A* 322 322 153 84,5 203,5 155 185 100÷105 140÷60 12 4 22,5 22 38 38
AVM-CR 520/15 30B A* 322 322 153 84,5 203,5 155 185 100÷105 140÷160 12 4 22,5 22 38 38
AVM-CR 750/15 40B B 405 405 188 108,5 228,5 183 220 120 170 17 4 - 26 37 37
AVM-CR 900/15 40B B 405 405 188 108,5 228,5 183 220 120 170 17 4 - 26 37 37
AVM-CR 1100/15 40B B 405 405 188 108,5 228,5 183 220 120 170 17 4 - 26 37 37
AVM-CR 1300/15 40B B 405 405 188 108,5 228,5 183 220 120 170 17 4 - 26 37 37
AVM-CR 1500/15 50A A 466 466 226 120 248 220 260 140÷150 190 18,5 4 23,5 27 50,5 50,5
AVM-CR 1800/15 50A A 466 466 226 120 248 220 260 140÷150 190 18,5 4 23,5 27 50,5 50,5
AVM-CR 2000/15 50B A 520 520 226 147 248 220 260 140÷150 190 18,5 4 23,5 27 50,5 50,5
AVM-CR 2300/15 50B A 520 520 226 147 248 220 260 140÷150 190 18,5 4 23,5 27 50,5 50,5

 

AVM-CR 4 poles 1500 rpm-50Hz / 1800 rpm-60Hz

Model / Type Gövde / Size Santrifüj Kuvveti /
Centrifugal Force
(Kg/F) 50Hz
Santrifüj Kuvveti /
Centrifugal Force
(Kg/F) 60Hz
Santrifüj Kuvveti /
Centrifugal Force
(Kg/F) 50Hz
Santrifüj Kuvveti /
Centrifugal Force
(Kg/F) 60Hz
(*) Statik Moment / Statical Moment (Kgmm) 50Hz (*) Statik Moment / Statical Moment (Kgmm) 60Hz Ağırlık / Weight
(Kg) 50Hz
Ağırlık / Weight
(Kg) 60Hz
Giriş Gücü / Input Power (W) 50Hz Giriş Gücü / Input Power (W) 60Hz Nominal Akım / Nom. Current
(A) 400V 50Hz
Nominal Akım / Nom. Current
(A) 460V 60Hz
Nominal Akım / Nom. Current
(A) 220V 50Hz
Nominal Akım / Nom. Current
(A) 115V 60Hz
IA / IN
50Hz 220V 50Hz
IA / IN
60Hz 115V 60Hz
AVM-CR 200/10 30B 189 258 1,85 2,53 169,1 160,2 20,0 20,0 270 250 0,60 0,55 1,02 0,93 2,65 3,00
AVM-CR 270/10 30B 242 331 2,37 3,24 216,4 205,6 20,2 20,2 320 350 0,75 0,72 1,27 1,22 2,65 2,90
AVM-CR 390/10 40B 318 446 3,12 4,37 284,5 277,1 29,0 28,0 350 380 0,80 0,76 1,36 1,31 2,48 2,80
AVM-CR 530/10 40B 597 639 5,85 6,26 534,1 396,9 32,5 30,5 450 500 1,05 0,95 1,78 1,64 2,50 3,68
AVM-CR 650/10 40B 655 701 6,42 6,87 585,9 435,4 36,5 34,5 550 600 1,10 0,98 1,81 1,69 2,58 3,71
AVM-CR 750/10 50A 814 861 7,98 8,44 728,2 534,8 45,5 43,0 680 720 1,40 1,25 2,38 2,16 2,79 3,36
AVM-CR 1110/10 50B 1067 1190 10,46 11,66 954.4 739,3 54,0 49,0 750 750 1,60 1,50 2,72 2,59 3,34 4,10
AVM-CR 1200/10 50B 1211 1267 11,88 12,42 1083,3 787,1 55,0 49,5 780 800 1,65 1,55 2,80 2,68 3,47 4,40
AVM-CR 1300/10 50C 1356 1327 13,30 13,01 1213,1 824,4 57,5 52,5 850 900 1,70 1,60 2,89 2,72 4,33 4,48
AVM-CR 1550/10 50C 1627 1587 15,96 15,56 1455,4 985,9 65,0 59,0 950 1000 1,80 1,70 3,06 2,94 3,05 3,65

 

AVM-CR 6 poles 1000 rpm-50Hz / 1200rpm-60Hz

Model / Type Gövde / Size Fig A B C D E ØF R L M ØK ØK G S N
AVM-CR 200/10 30B A* 322 190 153 84,5 203,5 155 185 100÷105 140÷160 12 4 22,5 22 38 93,5
AVM-CR 270/10 30B A* 322 190 153 84,5 203,5 155 185 100÷105 140÷160 12 4 22,5 22 38 93,5
AVM-CR 390/10 40B B 405 210 188 108,5 228,5 183 220 120 170 17 4 - 26 37 107,5
AVM-CR 530/10 40B B 405 210 188 108,5 228,5 183 220 120 170 17 4 - 26 37 107,5
AVM-CR 650/10 40B B 405 210 188 108,5 228,5 183 220 120 170 17 4 - 26 37 107,5
AVM-CR 750/10 50A A 466 230 226 120 248 220 260 140÷150 190 18,5 4 23,5 27 50,5 120,5
AVM-CR 1110/10 50B A 520 230 226 147 248 220 260 140÷150 190 18,5 4 23,5 27 50,5 120,5
AVM-CR 1200/10 50B A 520 230 226 147 248 220 260 140÷150 190 18,5 4 23,5 27 50,5 120,5
AVM-CR 1300/10 50C A 580 230 226 177 248 220 260 140÷150 190 18,5 4 23,5 27 50,5 120,5
AVM-CR 1550/10 50C A 580 230 226 177 248 220 260 140÷150 190 18,5 4 23,5 27 50,5 120,5

 

AVM-CR 8 poles 750 rpm-50Hz / 900 rpm-60Hz

Model / Type Gövde / Size Santrifüj Kuvveti /
Centrifugal Force
(Kg/F) 50Hz
Santrifüj Kuvveti /
Centrifugal Force
(Kg/F) 60Hz
Santrifüj Kuvveti /
Centrifugal Force
(Kg/F) 50Hz
Santrifüj Kuvveti /
Centrifugal Force
(Kg/F) 60Hz
(*) Statik Moment / Statical Moment (Kgmm) 50Hz (*) Statik Moment / Statical Moment (Kgmm) 60Hz Ağırlık / Weight
(Kg) 50Hz
Ağırlık / Weight
(Kg) 60Hz
Giriş Gücü / Input Power (W) 50Hz Giriş Gücü / Input Power (W) 60Hz Nominal Akım / Nom. Current
(A) 400V 50Hz
Nominal Akım / Nom. Current
(A) 460V 60Hz
Nominal Akım / Nom. Current
(A) 220V 50Hz
Nominal Akım / Nom. Current
(A) 115V 60Hz
IA / IN
50Hz 220V 50Hz
IA / IN
60Hz 115V 60Hz
AVM-CR 120/75 30B 106 141 1,04 1,38 168,5 155,7 18,6 18,6 230 250 0,85 0,75 1,44 1,29 2,15 2,11
AVM-CR 160/75 30B 137 187 1,34 1,83 217,8 206,5 20,2 20,2 250 300 0,95 0,85 1,61 1,47 2,36 2,44
AVM-CR 210/75 40B 178 241 1,74 2,36 283,1 266,2 27,8 27,8 350 380 1,10 1,05 1,87 1,81 2,05 2,30
AVM-CR 330/75 40B 281 396 2,75 3,88 446,8 437,3 33,7 33,7 300 280 0,75 0,70 1,27 1,21 1,75 3,00
AVM-CR 500/75 50A 458 601 4,49 5,89 728,3 663,7 45,6 45,6 400 450 1,20 1,20 2,04 2,07 2,42 2,60
AVM-CR 700/75 50B 534 803 5,23 7,87 849,2 886,8 50,5 49,8 450 500 1,40 1,30 2,38 2,24 2,56 2,96
AVM-CR 800/75 50B 610 881 5,98 8,64 970,1 972,9 54,4 54,6 550 560 1,55 1,40 2,63 2,42 2,43 2,87
AVM-CR 950/75 50B 686 991 6,73 9,72 1090,9 1094,4 58,4 58,4 720 760 1,60 1,50 2,72 2,59 4,38 3,67

 

AVM-CR 8 poles 750 rpm-50Hz / 900 rpm-60Hz

Model / Type Gövde / Size Fig A B C D E ØF R L M ØK ØK G S N
AVM-CR 120/75 30B A* 322 190 153 84,5 203,5 155 185 100÷105 140÷160 12 4 22,5 22 38 93,5
AVM-CR 160/75 30B A* 322 190 153 84,5 203,5 155 185 100÷105 140÷160 12 4 22,5 22 38 93,5
AVM-CR 210/75 40B B 405 210 188 108,5 228,5 183 220 120 170 17 4 - 26 37 107,5
AVM-CR 330/75 40B B 405 210 188 108,5 228,5 183 220 120 170 17 4 - 26 37 107,5
AVM-CR 500/75 50A A 466 230 226 120 248 220 260 140 ÷150 190 18,5 4 - 26 37 107,5
AVM-CR 700/75 50B A 520 230 226 147 248 220 260 140÷150 190 18,5 4 23,5 27 50,5 120,5
AVM-CR 800/75 50B A 520 230 226 147 248 220 260 140÷150 190 18,5 4 23,5 27 50,5 120,5
AVM-CR 950/75 50B A 520 230 226 147 248 220 260 140÷150 190 18,5 4 23,5 27 50,5 120,5

Other Products

Bursa Motor Logo

+90 224 443 46 36

© 2025 Bursa Motor | All Rights Reserved.