KVM-HV Serisi
Kem-P Vibrasyon MotorlarıMuhtelif beton kalıplarına bağlanır. Yaptığı titreşimle beton harcının yerleşmesini sağlar ve betonda meydana gelebilecek boşlukları önler. Saç bunkerlere bağlanır. Böylelikle bunker içerisindeki malın akışında sürekliliği sağlar. Kum, çakıl, agrega malzemeleri hazırlayan eleme tesislerinde kullanılır. Hem prefabrikasyon tesislerinde hem de şantiyelerde kullanılan yüksek frekanslı Kem-P KVM-HV pnömatik vibrasyon motorları, elektrik sistemlerini kullanmanın mümkün olmadığı veya tehlikeli olduğu durumlarda beton sıkıştırmada en iyi sonuçlar elde etmenizi sağlar.
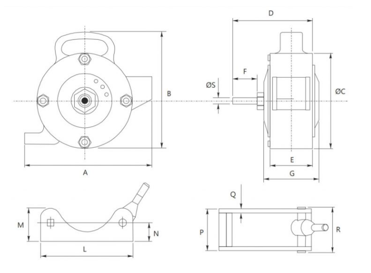
| Overall Dimensions (mm) | |||||||||||||||
|---|---|---|---|---|---|---|---|---|---|---|---|---|---|---|---|
| Model | Rif | A | B | ØC | D | E | F | G | L | M | N | P | Q | R | ØS |
| KVM-HV - 6 | 1 | 203 | 182 | 145 | 167 | 89 | 41 | 95 | 228 | 68 | 48 | 63 | 10 | 72 | 20 |
| KVM-HV - 8 | 1 | 203 | 182 | 145 | 167 | 89 | 41 | 95 | 228 | 68 | 48 | 63 | 10 | 72 | 20 |
| KVM-HV - 10 | 1 | 203 | 182 | 145 | 167 | 89 | 41 | 95 | 228 | 68 | 48 | 63 | 10 | 72 | 20 |
| KVM-HV - 14 | 1 | 203 | 182 | 145 | 167 | 89 | 41 | 95 | 228 | 68 | 48 | 63 | 10 | 72 | 20 |
| KVM-HV - 16 | 1 | 228 | 203 | 163 | 221 | 121 | 41 | 147 | 250 | 83 | 53 | 76 | 10 | 87 | 20 |
| KVM-HV - 20 | 1 | 228 | 203 | 163 | 221 | 121 | 41 | 147 | 250 | 83 | 53 | 76 | 10 | 87 | 20 |
| KVM-HV - 24 | 1 | 228 | 203 | 163 | 221 | 121 | 41 | 147 | 250 | 83 | 53 | 76 | 10 | 87 | 20 |