Bizi Takip Edin
İnşaat Vibrasyon Motorları – PSV
Kem-P Vibrasyon MotorlarıPSV Serisi Vibrasyon Motorları; yüksek sıkıştırma ve dayanıklılık gerektiren yol, tünel, köprü inşaatlarının kalıplarında beton dökümü için kullanılmaktadır. GGG-40 Sfero dökümden imal edilen PSV Serisi Vibrasyon Motorları balans koruyucu, rulman ve klemens kapaklarında o-ring ile tam izole edilmiş olup su, buhar, toz ve doğa şartlarından etkilenmez. Yüksek çalışma verimliliği ve kurulum kolaylığı ile tercih edilen Kem-P PSV Serisi İnşaat vibrasyon motorları, yanıcı ve patlayıcı tozların bulunduğu tehlikeli ortamda uygulamalar için ATEX II 2D Ext b IIIC T 120C Db ve IP66 sertifikalarına sahiptir.
| Model |
Gövde |
Faz |
Gerilim ( V ) |
Frekans (Hz) |
Akım (A) |
Giriş Gücü (kW) |
Devir |
Santrifüj Kuvveti (Kg) |
Santrifüj Kuvveti (KN) |
Ağırlık (Kg) |
|---|---|---|---|---|---|---|---|---|---|---|
| KVM-PSV 70/1 | 01 | 3 | 42 / 48 | 200 | 15 | 0,92 | 12000 | 2580 | 25,310 | 20,4 |
| KVM-PSV 70/2 | 01 | 3 | 42 / 48 | 150 | 15 | 0,92 | 9000 | 1815 | 17,805 | 20,4 |
| KVM-PSV 70/3 | 01 | 3 | 42 / 48 | 200 | 15 | 0,92 | 6000 | 1130 | 11,085 | 20,4 |
| KVM-PSV 80/2 | 01 | 3 | 42 / 48 | 150 | 25 | 1,80 | 9000 | 2185 | 21,435 | 20,6 |
| KVM-PSV 80/3 | 01 | 3 | 42 / 48 | 200 | 23,5 | 1,70 | 6000 | 1525 | 14,960 | 20,6 |
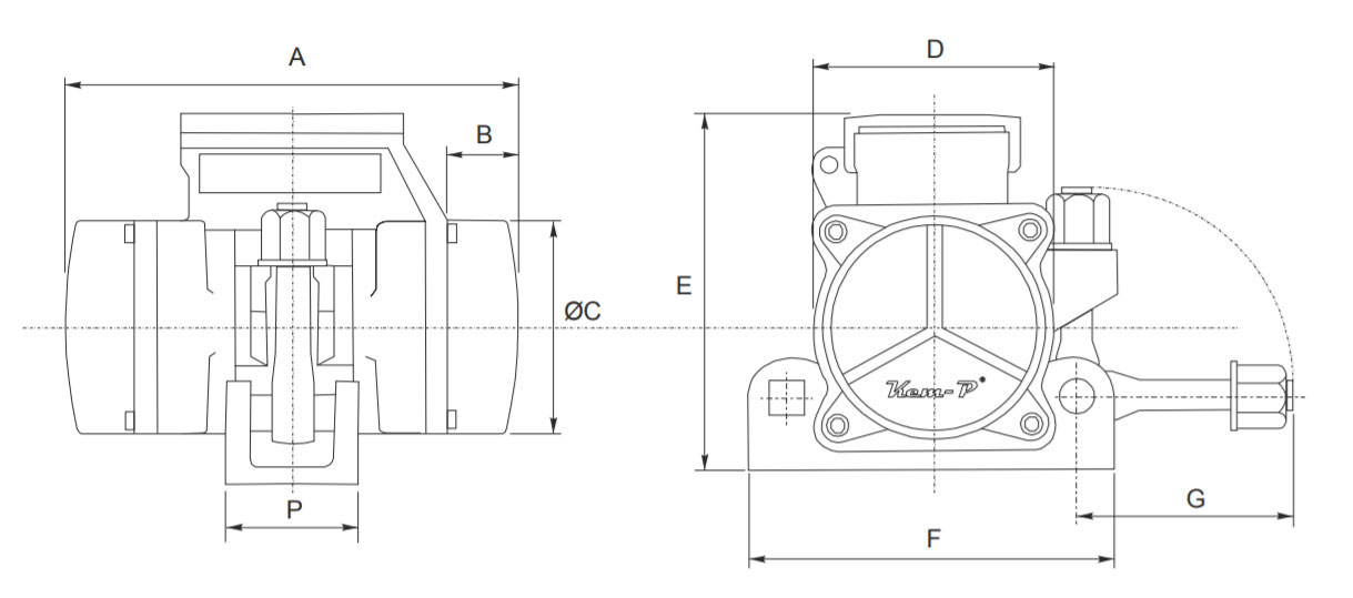
| Gövde Ölçüleri (mm) | |||||||||
|---|---|---|---|---|---|---|---|---|---|
| Model | Gövde | A | B | ØC | D | E | F | G | P |
| KVM-PSV-70 | 01 | 298 | 55 | 130 | 132 | 211 | 226 | 105 | 105 |
| KVM-PSV-80 | 01 | 298 | 55 | 130 | 132 | 211 | 226 | 105 | 105 |