Bizi Takip Edin
KVM-D Serisi
Kem-P Vibrasyon MotorlarıDeğirmen makineleri sektöründe ve irmik sasörlerinde tercih edilen 10 kutuplu vibrasyon motorlarıdır. Kem-p Vibrasyon Motorları KVM-D Serisi, yanıcı ve patlayıcı tozların bulunduğu tehlikeli ortamda uygulamalar için ATEX II 2D Ext b IIIC T 120C Db ve IP66 sertifikalarına sahiptir.
| Model | Gövde | II 2D Sınıfı |
rpm | Santrifüj Kuvveti ( Kg/F ) |
Santrifüj Kuvveti ( KN ) |
(*)Statik Moment | Ağırlık ( Kg ) |
Giriş Gücü ( W ) |
Nominal Akım ( A ) |
|---|---|---|---|---|---|---|---|---|---|
| KVM-60-04-D02 | 04 | 120° | 6 | 608 | 5,964 | 1510,8 | 51,0 | 300 | 1,55 |
| KVM-60-05-D01 | 05 | 120° | 0 | 730 | 7,161 | 1814,0 | 65,0 | 400 | 1,74 |
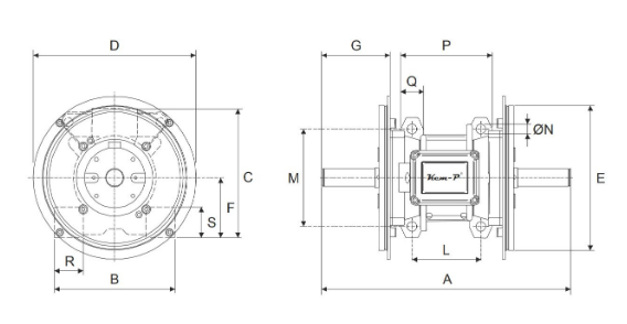
| Model | Gövde | Gövde | A | B | C | D | ØE | F | G | L | M | ØN | P | Q | R | S |
|---|---|---|---|---|---|---|---|---|---|---|---|---|---|---|---|---|
| KVM-60-04-D02 | 04 | -- | 464 | 210 | 246,5 | 283,5 | 256,5 | 104,5 | 134 | 120 | 170 | Ø17 | 160 | 40 | 50 | 53,5 |
| KVM-60-05-D01 | 05 | -- | 603 | 235,5 | 264 | 293 | 258,5 | 117,5 | 183,5 | 140 ÷150 | 190 | Ø17 | 194 | 50 | 51 | 56,5 |
| Model | A | B | C | D |
|---|---|---|---|---|
| KVM-60-04-D02 | 37 | 159,5 | 45 | 216 |
| VM-60-05-D01 | 37 | 160 | 50 | 230 |