Bizi Takip Edin
KVM-PA Serisi
Kem-P Vibrasyon MotorlarıÖzellikle brüt beton uygulamaları için beton harcının tüm yüzeylerde sıkıştırılması amacıyla tasarlanmış vibrasyon motorudur. Kem-P KVM/PA Serisi İnşaat Vibrasyon Motorları tünel kalıplarında, kolon ve kirişlerde, üst yapı ve alt yapıda, beton boru, refrakter sanayisinde, ön gerilimli beton kalıplarında, vibrasyon masalarında, tüm yoğun donatılı kalıplarda ve her türlü prekast üretiminde güvenilir, uzun ömürlü, rahat ve problemsiz beton sıkıştırma uygulamaları için vibrasyon motorudur. Özel olarak tasarlanmış bağlantı elemanları (hızlı takılan kelepçeler) sayesinde kurulum ve yeniden konumlandırma süresi azalır. Hem prefabrikasyon tesislerinde hem de şantiyelerde kullanılan yüksek frekanslı elektrikli vibrasyon motorlarıdır. Beton sıkıştırmada en iyi sonuçları elde etmenizi sağlar. Yüksek çalışma verimliliği ve kurulum kolaylığı ile tercih edilen Kem-P KVM/PA Serisi İnşaat vibrasyon motorları, yanıcı ve patlayıcı tozların bulunduğu tehlikeli ortamda uygulamalar için ATEX II 2D Ext b IIIC T 120C Db ve IP66 sertifikalarına sahiptir.
| Model |
Çalışma Voltajı |
Şebeke Akımı |
Çıkış Voltajı |
Çıkış Akımı |
Priz Sayısı |
|---|---|---|---|---|---|
| FK-A 50/4 | 380 V / 50Hz | 6 Amp | 42 - 55 V | 50 Amp | 4 |
| FK-A 76/6 | 380 V / 50Hz | 9 Amp | 42 - 55 V | 75 Amp | 6 |
| FK-A 100/8 | 380 V / 50Hz | 15 Amp | 42 - 55 V | 100 Amp | 8 |
| FK-A 125/10 | 380 V / 50Hz | 19 Amp | 42 - 55 V | 125 Amp | 10 |
| Model |
Gövde |
II 2D Class |
Devir |
Santrifüj Kuvveti (Kg) |
Santrifüj Kuvveti (Kn) |
Ağırlık (Kg) |
Giriş Gücü (V) |
Gerilim ( W ) |
Frekans (Hz) |
Nominal Akım (A) |
|---|---|---|---|---|---|---|---|---|---|---|
| KVM-PA 400/42 | 02 | 120° | 6000 | 383 | 3,757 | 8,5 | 400 | 42-55~ | 200 | 9 |
| KVM-PA 400/230 | 02 | 120° | 3000 | 293 | 2,874 | 8,5 | 400 | 230~ | 50 | 117,5 |
| KVM-PA 400/400 | 02 | 120° | 3000 | 365 | 3,581 | 8,5 | 400 | 400~ | 50 | 1,3 |
| KVM-PA 400/115 | 02 | 120° | 6000 | 350 | 3,434 | 8,5 | 400 | 115~ | 200 | 3,7 |
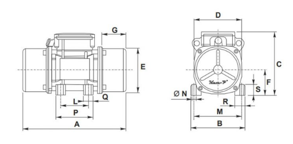
| Gövde Ölçüleri (mm) | Gövde Ölçüleri (mm) | |||||||||||||||
|---|---|---|---|---|---|---|---|---|---|---|---|---|---|---|---|---|
| Model | Gövde | Rif | A | B | C | D | ØE | F | G | L | M | ØN | P | Q | R | S |
| KVM-PA 400/42 | 02 | 1 | 300 | 153 | 182 | 135 | 123 | 72 | 74,5 | 90 | 125 | 13,5 | 117 | 27 | 27 | 30 |
| KVM-PA 400/230 | 02 | 1 | 300 | 153 | 182 | 135 | 123 | 72 | 74,5 | 90 | 125 | 13,5 | 117 | 27 | 27 | 30 |
| KVM-PA 400/400 |
02 | 1 | 300 | 153 | 182 | 135 | 123 | 72 | 74,5 | 90 | 125 | 13,5 | 117 | 27 | 27 | 30 |
| KVM-PA 400/115 | 02 | 1 | 300 | 153 | 182 | 135 | 123 | 72 | 74,5 | 90 | 125 | 13,5 | 117 | 27 | 27 | 30 |